一、雙誠液環真空泵站概述:
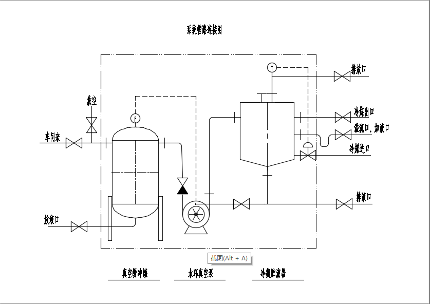
雙誠液環真空泵站系統由真空緩沖罐、液環真空泵及冷凝貯液器及真空管路、工作液循環回路、尾氣排放管路、電氣控制系統組成。電氣控制采用PLC、變頻器調速控制真空泵轉速,簡便達到真空度設置,恒定提供生產所需真空度,可用于醫藥化工生產過程中產生的多種尾氣中所含有機溶劑冷凝回收利用,減少VOC排放具有節能環保之作用。

二、電氣:
1、電源采用三相四線AC380V供電,設備外殼需可靠接地。
2、變頻器功率4/5.5KW通用。
3、電機功率4KW/5.5KW(三相AC380V)。
4、真空壓力傳感器、溫度傳感器及電動調節閥。
5、4-20MA變送器采集負壓力值反饋給變頻器通過PID方式或PLC控制泵轉速調整壓力(視客戶需求確定)。
6、“急停”、“手動 停 自動“均采用防爆開關。
7、其余按鈕采用防水套保護、密閉防水;部分機型使用的為防爆按鈕。
8、分布線纜采用防水接頭和防水線管連接;部分機型使用的為防爆按鈕。
三、控制模式設置:

主要采用手動/自動兩種模式
1、自動狀態,將“手動 停 自動”開關置于“自動”位置,通過變頻器電位器調整負壓力設定值(-0.1~0MPA),負壓將恒定為設定值。
2、手動狀態,將“手動 停 自動”開關置于“手動”位置,變頻器將不進行PID運算,按“手動泵加速”按鈕,變頻器頻率升高,泵轉速提升,負壓升高;按“手動泵減速”按鈕,變頻器頻率降低,泵轉速降低,負壓下降。
3、停止狀態,將“手動 停 自動”開關置于“停”位置,變頻器即不進行PID運算,“手動泵加、減速”按鈕也不起作用。
4、急停,“急停”按鈕按下,將切斷所有DC24電源供電,在緊急情況下保障液環真空泵站運行安全。